Select Page

RJT Male External Crimp Hose Tail 316 – BSM

British Standard Milk (BSM) stainless steel unions were originally designed for tube installation in the dairy industry, but are now widely used in the food and beverage sectors. BSM unions consist of a nut, liner, male component, and seal.

There are two main types of BSM unions:

  • Ring Joint Type (RJT), which features an ‘O’ ring style seal.
  • Clean In Place (CIP), which uses a ‘Flat Face’ style seal. The key difference between the two is that the CIP seal fills the gap between the liner and male component for enhanced sealing.
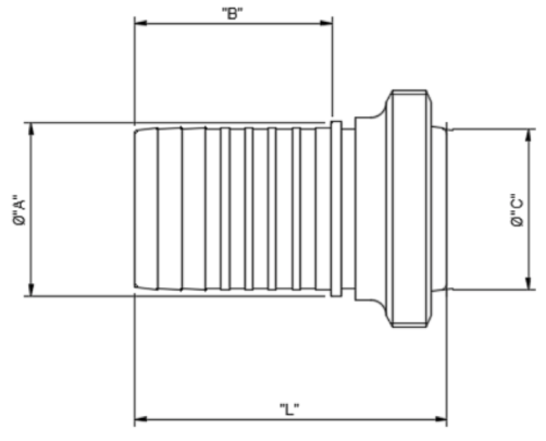
Tube OD (mm) A B L Service Rating (PSI) Weight (kg)
25.4 29 34 69 145 0.20
38.1 42 50 83 145 0.34
50.8 55 63 94 145 0.60
63.5 68 58 91 145 0.61
76.2 84 72 109 145 0.87
101.6 109 70 110 145 1.18