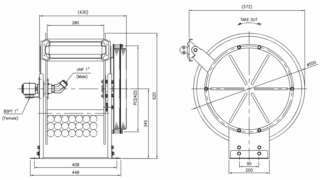
Retracta F Series Twin Pedestal Reel – Oil
- Adjustable roller guide direction for versatility
- Fully Serviceable
- Twin pedestal for strength and stability
- Heavy duty powder coated steel construction
- Heavy duty steel spring enclosure for safety and reliability
- Two spring packs for maximum hose return power
| Hose Size (ID) | 1″ (25 mm) |
| Hose Length | 23 m |
| Hose Material | Steel Wire Braided Synthetic Rubber |
| Working Pressure | 1000 PSI |
| Max Temperature | 60°C |
| Feed Hose Inlet | N/A |
| Reel Inlet | 1″ BSPT (F) |
| Hose Outlet | 1″ BSPT (M) |
| Feed Hose Length | N/A |
| Weight | 60.35 kg |

